Запчастини на насос Comet BP151 (каталог насоса)
В наличии
Код: BP151K
Доставка
Самовывоз с магазина
Украина, г.Лубны, ул.Фабричная,2 (или проспект Владимирский 128/2)
Бесплатно
Доставка на адрес
Новая Почта, УкрПочта
от 95 грн.
Самовывоз с отделения
Новая Почта, УкрПочта
от 95 грн.
-
Оплата
Описание
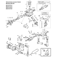
| Запчастини BP151K (нового зразка) 1 04020143 кришка масляного бачка BP-151K 2 12100373 кільце гумове 73,03х3,53 3 04210012 бамок масляний 4 12100002 кільце гумове 20,7х2,62 5 12080015 масляний бачок у зборі BP-151K, BP-171K 6 36070220 болт М10х30 7 30200009 кільце стопорне W47 8 00190083 манжета BP-151K 9 04050067 кришка передня насоса BP-151K 10 12100345 кільце гумове 101,32х1,78 11 04380094 підшипник 6307 12 06010132 втулка 35х48х18 13 00100020 втулка фіксації шатуна 14 00010402 вал насоса 15 16020018 шпонка 8х7х40 17 06010134 втулка 35х44х10 18 28130036 кришка 19 04380094 підшипник 6307 20 04030118 корпус насосу 21 00190083 сальник 35х47х7 22 30200009 кільце стопорне 23 02050038 шатун насоса BP-151K 24 24090096 поршень насоса 70мм BP-151K 24 24090081 поршень насоса 75мм BP-171K 25 30200001 кільце стопорне W15 26 30110001 палець поршневий BP-151K 27 00200001 кільце поршня компресійне 70мм 27 00200009 кільце поршня компресійне 75мм BP-171K 28 04000088 гільза насоса 70мм BP-151K 28 04000077 гільза насоса 75мм BP-171K 29 18000002 мембрана насоса (гума) BP-151K 29 18000178 мембрана насосу (десмопан) BP-151K 30 06020045 притиск мембрани BP-151K 31 36050005 болт прижима мембрани М12х1,5 32 24000064 ніжка насоса BP-151K 33 36090192 гвинт М10х50 34 36070223 гвинт М10х65 35 12090033 шайба 7,5х14х2 36 36100003 золотник 37 00030015 передня кришка повітряної камери BP-151K 37 00030030 передня кришка повітряної камери BP-171K 38 18000034 повітряна мембрана BP-151K 39 04600036 обмежувач мембрани повітряної BP-151K 40 00020024 кришка задня повітряної камери BP-151K 41 28110098 шайба 10,5х18х2 |
42 06040105 гайка М10 43 12100185 кільце гумове 38х4,0 44 36090156 гвинт М8х55 45 28010032 патрубок напірний 25мм BP-151K 46 24040108 пластина притискна напірного патрубка 47 12100180 кільце гумове 29х3,0 48 32140039 патрубок колектора, що нагнітає BP-151K 49 28110099 шайба 8,4х15х1,6 50 06040107 гайка М8 51 28110099 шайба 8,4х15х1,6 52 36090156 гвинт М8х55 53 28110099 шайба 8,4х15х1,6 54 36080162 гвинт М8х40 55 12100011 кільце 36х3,0 56 32140038 патрубок колектора, що нагнітає BP-151K 57 36090163 гвинт М10х40 58 04180040 хомут кришки насоса 59 12050034 корпус клапана 60 18020255 пружина клапана 61 36040009 шайба клапана 62 30090022 сідло клапана 63 12100419 кільце клапана 37х49х6 64 12200046 клапан насоса 65 32180123 кришка насоса 66 36090192 гвинт М10х50 67 28110098 шайба 10,5х18х2 68 32140038 колектора всмоктуючий BP-151K 69 12100011 кільце гумове 36х3,0 70 36090140 гвинт М8х55 71 28010055 фітінг всмоктуючий 40мм BP-151K 72 24040108 притискна пластина всмоктуючого фітінга 74 32140039 колектор всмоктуючий BP-151K 75 28110099 шайба 8,4х15х1,6 76 06040107 гайка М8 77 00010412 вал насоса 80 12190043 запобіжний клапан 81 12020060 хомут 82 28030356 фітінг напорний 25мм 83 12100002 кільце гумове 20,7х2,62 84 28030334 корпус перехідний 85 36090159 гвинт М8х50 86 28110099 шайба 8,4х15х1,6 87 12100180 кільце гумове 29х3,0 88 28030364 запобіжний клапан в зборі 101 50260145 ремкомплект насоса BP151K, BP171K |
Сопутствующие товары
Просмотренные товары





